当前位置:进口轴承 >> 轴承新闻 >> FAG52210双列推力球轴承到货 FAG52210轴承现货
FAG52210双列推力球轴承到货 FAG52210轴承现货
作者:Admin  发表时间:2013-03-04  点击:148

FAG推力深沟球轴承52210轴承公司现货,该轴承是双列推力球轴承,内径:40mm ,外径:78mm, 厚度:39mm,该轴承我公司有现货,需要的朋友请拨打电话:020-86569699 

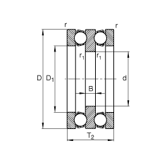
FAG52210双列推力球轴承参数
根据 DIN 711/ISO 104 标准的主要尺寸,双向,可分离
d:40 mm              D:78 mm        T2:39 mm        B:9mm           D1:52mm 
Damax:  61 mm     damax:50mm  r1min:0,6 mm   ramax:1mm     ra1:max 0,6 mm

rmin:1mm             m ( 质量):0,635 kg     Ca(基本额定动载荷,轴向
):50000 N    C0a (  基本额定静载荷,轴向):106000

 N A(Z小载荷系数) 0,07       nG (参考转速): 4950 1/min 

Cua (疲劳参考载荷,轴向): 4700 N    

FAG52210双列推力球轴承图纸

FAG52210双列推力球轴承FAG52210双列推力球轴承参数

上条新闻:机械零件去毛刺的方法 下条新闻:FAG、NSK、SKF高精密轴承到货
 
最新动态 更多 » 
·进口轴承常见问题集锦
·轴承的本质噪声
·国外轴承行业的特点与发展...
·轴承[F&F,]圆柱滚子轴承型号...
·公制微型轴承型号对照表
·角接触轴承新旧型号尺寸对...
·轴承应用配套:立式电机轴承:
·客车轴承型号对照、用途
·清远FAG30213+T3EB065轴承30213+T3...
·影响轴承寿M的材料因素及...
热卖型号 更多 » 
·BARDEN7021C/DF轴承
·NACHIN218轴承
·NSKNN3068轴承
·NACHI61804-RZ轴承
·BARDEN7044C轴承
·FAGNA49/28轴承
·NACHI23252CAC/W33轴承
·NACHI53222U轴承
·DKF7205B/DT轴承
·NACHIF606轴承
版权所有©2009-2018广州摩根传动设备有限公司进口轴承博客
公司地址:广州市白云区创佳路6号创佳国际3楼301-01号商铺 粤ICP备18018363号
24小时热线:020-86361387 18578786582 
QQ:291483482 邮箱:mgcdchina@163.com

粤公网安备 44011102000645号